專注聯軸器研發與制造 打造聯軸器行業領軍品牌
全國免費服務熱線
大家都在搜: 聯軸器 彈性聯軸器 萬向聯軸器 膜片聯軸器 聯軸器型號
咨詢熱線:
0317-8309526
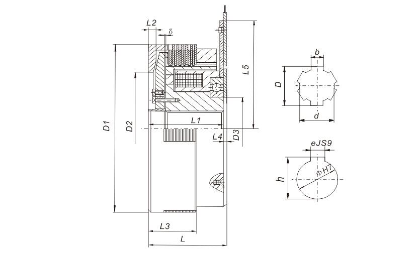
咨詢:DLK1快速電磁離合器 * 為必填項
萬向聯軸器
鼓形齒聯軸器
蛇形彈簧聯軸器
膜片聯軸器
脹緊聯結套
精密聯軸器
梅花聯軸器
彈性聯軸器
企業簡介
榮譽資質
服務支持
銷售區域
聯系方式
公司動態
行業新聞
常見問題解答
冶金機械應用
水泥機械應用
梅花聯軸器應用
球籠聯軸器
設備場景
公司地址:河北省泊頭南倉街
服務電話:0317-8309526
公司傳真:0317-8263317
掃一掃,關注天碩公眾號
Copyright ? 2020-2021 glee.cn. 滄州天碩聯軸器有限公司 版權所有 冀ICP備10204087號-7 網站地圖